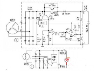
装置电路如图所示。磁电机输出的交流电压经二极管D1~D6整流后变成脉动直流电压分两路输出。一路由Q1、Q2、Q3、R1、R7、DW1,以及C2组成的典型晶体管串联稳压电路稳压后输出16V电压,经D8给蓄电池充电;另一路经D7隔离后由C1滤波、IC1稳压得到12V直流稳定电压对运算放大器IC2供电,并且经电阻R6接至IC2的②脚作基准电压,蓄电池的电压经R4、R5分压后送至IC2的③脚作为比较电压。当蓄电池的电压低于14。4V时,加至IC2③脚的比较电压比②脚的12V基准电压低,运算放大器输出低电平,Q4截止,Q1~Q3正常工作输出16V电压。当蓄电池的电压高于14。4V时,IC2的③脚比较电压高于②脚基准电压,IC2输出高电平,Q4饱和导通,分流掉流入Q3基极的电流,从而造成Q1Q2的输出电压大幅下降,D8截止,停止向蓄电池充电和向电器供电。此时,车上的电器均由蓄电池供电。当蓄电池的电压再次低于14。4V时,则IC2又输出低电平,Q1、Q2又正常输出。显然,当蓄电池充满电时,磁电机几乎工作在空载状态,而不像常规的硅整流稳压器那样处于大负荷短路状态,这就达到了节能的目的。电路中R3为IC2的正反馈电阻,R7用于在Q1Q2截止时给蓄电池进行涓流充电,D9的作用是保证某些运算放大器的微量零漂输出不至于导致Q4导通,而产生误动作。

联系我们
地址:江苏省常州市武进区湖塘科技产业园
电话:0519-81695559
传真:0519-83995559
手机:13376265559(沈经理)
E_mail:13376265559@qq.com
网 址:www.kayan8.com
资深团队,为您免费提供变频电源解决方案,您还在等什么?
苏公网安备32041202003156号